مشخصات زلزله

 Map Region : lat:-  lon:-

  North  
West   East
  South  
Show Cities
Show Foreign Cities
Show Fault Mechanism
Show Province Boundaries
Show Stations
Map Title

Magnitude
2.6
Date & Time (UTC) 2025-10-02 20:59:45.1
Date & Time (Local) 1404/7/11  00:29:45.1
Location Lat:33.806 Lon: 52.81
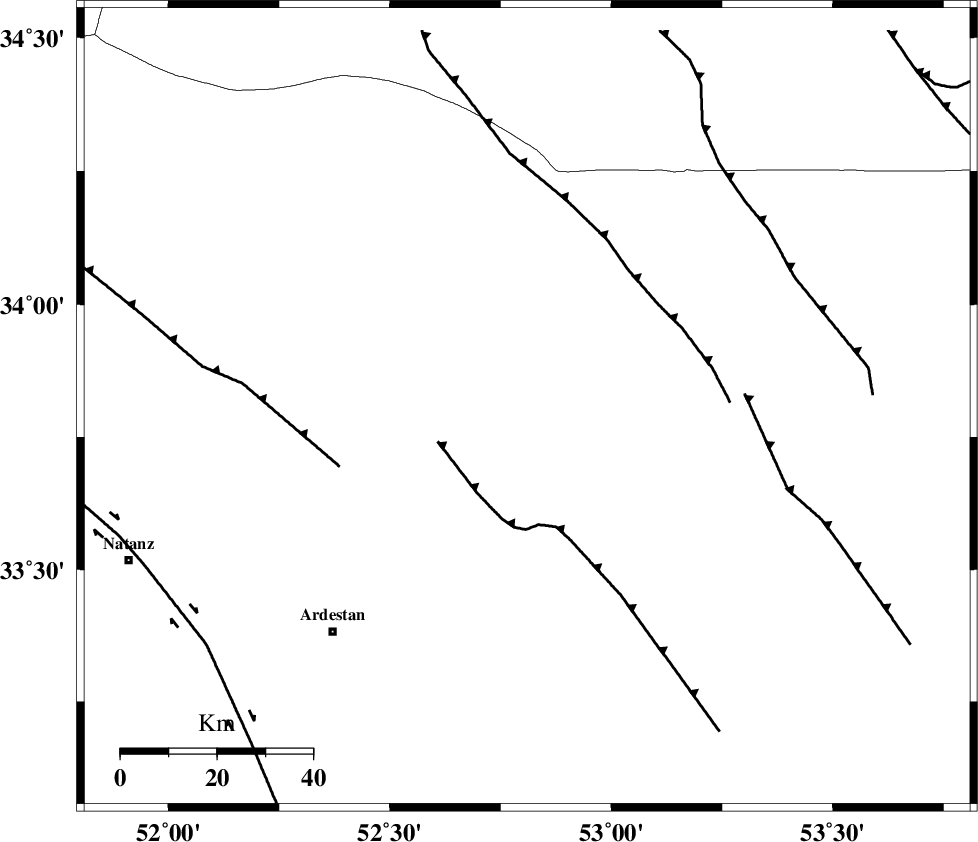
Region Esfahan Province, 62 km North-East of Ardestan
Nearest Cities
41 km North East of Jahanabad, Esfahan Province
50 km North East of Zavareh, Esfahan Province
50 km North East of Telkabad, Esfahan Province
53 km North West of Maedan, Esfahan Province
53 km North of Shahrab, Esfahan Province
Depth 12 km
Agency
Faults within 150 km:
CHAH_ZANGUL_F (Length: 123 km) , Distance to epicenter: 59 km 
ZEFREH_F (Length: 124 km) , Distance to epicenter: 84 km 
SIAHKUH_F (Length: 154 km) , Distance to epicenter: 95 km 
Number of Phases 9
RMS 0.6
Number of Stations 9
Error in Latitude >4 km
Error in Longitude 4 km
Error in Depth 31.3 km

Download waveform in seisan format

to download seisan software Click here

to access information about IIEES stations Click here

Amplitude

UIDAgencyStationComponentAmplitudePeriodArrival TimeProccessing TimeSignal Clip
199457IIEES SCNASNZ 0.312025-10-02 21:00:042025-10-04 07:53:00n
199458IIEES SCNASNZ 0.312025-10-02 21:00:182025-10-04 07:53:00n
199459IIEES SCASAOZ 0.0512025-10-02 21:00:262025-10-04 07:53:00n
199460IIEES SCMEHZ 0.0212025-10-02 21:00:322025-10-04 07:53:00n
199461IIEES SCTABSZ 0.0212025-10-02 21:00:412025-10-04 07:53:00n

Phase

AgencyStationComponentPhase TypePhase QualityFirst MotionObserved Arrival TimeTime ResidualLoc. FlagInput WeightDistanceAzimuth
IIEES SCNASNZ EPg E2025-10-02 21:00:040.2y0112180
IIEES SCNASNZ ESg E2025-10-02 21:00:180.2y0112180
IIEES SCDAMVZ EPn E2025-10-02 21:00:07-13n4216339
IIEES SCYZKHZ EPn E2025-10-02 21:00:03-17.9n4229133
IIEES SCASAOZ EPn E2025-10-02 21:00:26-0.1y0270288
IIEES SCGLOZ EPn E2025-10-02 21:00:320.7y031317
IIEES SCMEHZ EPn E2025-10-02 21:00:320.3y0317148
IIEES SCSHROZ EPn E2025-10-02 21:00:34-6n438150
IIEES SCTABSZ EPn E2025-10-02 21:00:41-1y040092
بازدیدکنندگان امروز
0
صفحات بازدید شده امروز
0
بازدیدکنندگان در ماه
0
صفحات بازدید شده در ماه
0

مختصري از چيستى و اهداف بيانيه صيانت از داده ها:

اطلاعات شخصى هر فرد، بخشى از حریم خصوصى وى محسوب میشود. حفاظت بيشتر از حقوق شخصى افراد، نه تنها موجب حفظ امنيت كاربران شده، بلكه باعث اعتماد بيشتر و مشاركت آنها در فعاليت هاى جارى میگردد. هدف از این بيانيه، آگاه ساختن شما درباره نوع و نحوه استفاده از اطلاعاتى است كه در هنگام بازدید از سایت، از جانب شما دریافت خواهد شد.

 برخى موارد قانونى در رابطه با حریم خصوصى و صيانت از داده:

پژوهشگاه بین المللی  زلزله شناسی و مهندسی زلزله بر اساس ماده 7 تصویب نامه شماره 1127128 شوراي عالی اداري مورخ 1395/12/28 خود را ملزم به رعایت حریم خصوصی همه افراد و كاربران وبگاه دانسته و از كاربران آن دسته از اطلاعات را كه فقط به منظور ارائه خدمات كفایت میكند، دریافت كرده و از انتشار آن یا در اختيار قرار دادن آن به دیگران خودداري مینماید.

 اهداف از گرفتن برخی اطلاعات

اطلاعات جمع آوري شده از بازدیدكنندگان، صرفا براي بهبود كيفيت خدمات و محتواي سایت مورد استفاده قرار میگيرند و هيچ بخشی از اطلاعات شخصی شما را بدون اطلاع و اجازه ي قبلی، با فرد یا موسسه دیگري در ميان نخواهيم گذاشت. ثبت نشانی IP شما به ما كمک میكند تا در تشخيص و رفع مشكلات مربوط به سرویس دهنده و كنترل بهتر آن اقدام كنيم.

نوع اطلاعاتی كه از كاربران جمع آوري میشود

  • اطلاعلات هویتى: نام، نام خانوادگى (ویژه متقاضیان خدمات تکمیلی)
  • اطلاعات تماس: شماره تلفن همراه، آدرس، ایميل (ویژه متقاضیان خدمات تکمیلی)
  • اطلاعات تجهيزات سخت افزارى مانند مشخصات رایانه و تجهيزات مرتبط (ویژه همه بازدیدکنندگان وبسایت)
  • اطلاعات نرم افزارى مانند سيستم عامل، آدرس IP، نوع مرورگر، زمان دسترسى و آدرس وبسایت هاي ارجاع دهنده (ویژه همه بازدیدکنندگان وبسایت)

 

 چگونگی استفاده از داده هاي جمع آوري شده

  • ارسال ایمیل به كاربران به منظور اطلاع رسانی و پيگيري در صورت نياز
  • ارائه خدمات فناوری و قانونی به دانشجویان، اعضاي هيات علمی و …. مانند درخواست داده های زلزله
  • بهبود كيفيت خدمات ارائه شده
  • اطلاعات دریافتی صرفاً در اختیار متولیان مربوط به درخواست کاربران قرار می‌گیردکه این متولیان مورد تائید سازمان می‌باشند
  • دریافت آمارهاي مختلف از كاربران و نحوه استفاده ي آنها از سایت و خدمات آن و ایجاد پایگاه داده هاي آماري مورد نياز

 

تدابير حفاظت از داده ها

پژوهشگاه بین المللی  زلزله شناسی و مهندسی زلزله حفاظت و حراست از اطلاعات شخصى شما را امرى بسيار جدى و مهم میداند. همچنين میتوانيد مطمئن باشيد كه از آن تنها بر اساس اصول مطرح شده در این بيانيه استفاده میشود. این سازمان از تجهیزات سخت‌افزاری و نرم‌افزاری پیشرفته جهت جلوگیری از نفوذ نرم‌افزارهای مخرب استفاده می‌کند.

 در هرحال تعهدات و مسئولیت های ما محدود  به توانایى ها و امکانات ما بوده و ما در قبال اقدامات مجرمانه و یا حوادث و رویدادهاى غيرمترقبه یا اتفاقاتى كه منتسب یا ناشى از اقدامات ما نباشد مسئوليت و یا تعهدى نخواهيم داشت.